| Features |
| 1. Instantaneous power supply mode,low energy loss |
| 2. Small size,suitable for small space installation |
| 3. Power failure or malfunction can be manual release |
| 4. Waterproof grade: IP 6K6K |
| 5. Installation method: vertical installation |
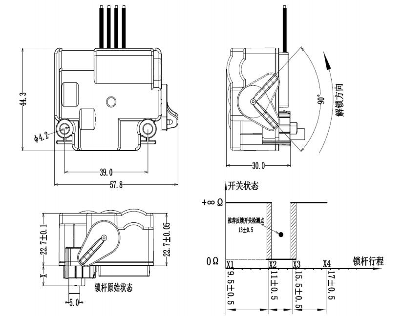
| 6.Outline:L×W×H 57.8*44.3*30 |
|
| Mechanical properties |
| 1. Mechanical life : operating cycle >60000 times |
|
| Electrical Performance |
| 1. Current:Worst case current(blocking current)/Max. current 1A (@16V, -40℃);Average operating currment(no load) 0.5A (@12V, RT) |
| 2. Nominal voltage:12V/24V |
| 3. Actuating time:Operating time ≤600ms |
| 4.Actuating force:Ejecting force >40N@RT,12V;Hold position force ≥ 70N |
| 5. Release force:Emergency Release force ≤ 35N |
| 6. Stroke:Locking Pin Stroke 8mm |
|
| Applied Materials |
| 1. Case Material: Thermoplastic,flame retardant grade UL94 HB |
|
| Environmental performance |
| 1. Operating temperature:-40°C~+90°C |
|
| Recommended use |
1.European standard pile end internal installation;
2.European standard structure vehicles with higher protection level in socket area
|