

应用 APPLICATION
主要应用于电动汽车电池箱、电机驱动器。
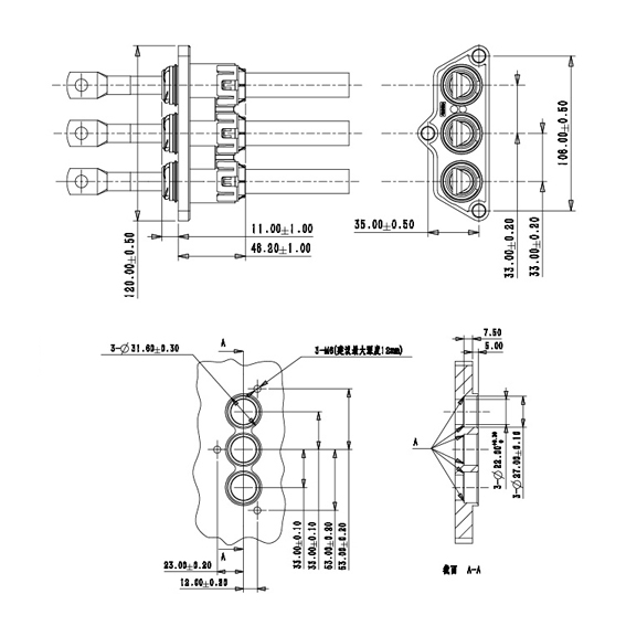
特点 CHARACTERISTIC
安装简单,连接可靠、拆卸方便。使用塑胶外壳,成本低,产量高。

|
机械特性 |
|
||||||
|
电气特性 |
|
||||||
|
环境性能 |
|
|
产品选型表 |
||
| 线径 / 键位 | A | 电流规格 |
| 50mm2 | DH3-3P-A50 |
200A |
| 35mm2 | DH3-3P-A35 |
150A |
| 25mm2 | DH3-3P-A25 |
120A |